Jenis Lukisan Pendawaian Elektrik : Pendawaian jenis disembunyikan mungkin diganti (yang dipasang di dalam tiub plastik), atau tidak boleh ditanggalkan (dalam gambar rajah pendawaian adalah lukisan tepat yang mengandungi pelan semua bilik dengan petunjuk tepat mengenai unsur bekalan kuasa dan kumpulan pengedaran.

Jenis Lukisan Pendawaian Elektrik : Pendawaian jenis disembunyikan mungkin diganti (yang dipasang di dalam tiub plastik), atau tidak boleh ditanggalkan (dalam gambar rajah pendawaian adalah lukisan tepat yang mengandungi pelan semua bilik dengan petunjuk tepat mengenai unsur bekalan kuasa dan kumpulan pengedaran.. Menyusun atur alat tambah,pendawaian dan kelengkapan lukisan elektrik. Kesemua jenis pendawaian elektrik yang dilakukan adalah tertakluk. Menerangkan kegunaan symbol piawai bagi alat tambah,suis dan fius agihan. Walau pun kita melihat dan tahu bahawa ianya salah namun kebiasaannya kita tidak mengambil peduli. Published by makweeng on 01/10/202001/10/2020.

Melalui aplikasi ini pelajar boleh menonton video pembelajaran dan pengajaran lukisan kejuruteraan di mana mereka berada dengan adanya akses internet. Smk pendawaian dan pemasangan elektrik industri. #pendawaianelektrik #microsoftvisio #pvma video kali ini pula, pelajar tngkatan 4 pvma menggunakan microsoft visio untuk melukis pendawaian elektrik. Sistem pendawaian elektrik terbahagi kepada 2 bahagian iaitu pendawaian setiap litar akhir hendaklah diasingkan secara elektrik (neutral dan live berlainan) kecuali ke bumi. Papan agihan sistem bekalan 5 jenis alat musik berdasarkan sumber bunyi contoh lengkap.

Konsep Elektrik Worksheet
Konsep Elektrik Worksheet from files.liveworksheets.com
Gkt18 02 peraturan pemasangan alat tambah elektrik. Perbincangan lukisan bangunan modul gkt 2020. Kedudukan fizikal punca tamatan dan cara penyambungan merupakan. Pendawaian elektrik 4 sebagai contoh. Lukisan skematik ke lukisan bergambar. Papan agihan sistem bekalan elektrik di rumah dunia elektrik: Pendawaian elektrik, kuala lumpur, malaysia. Melalui aplikasi ini pelajar boleh menonton video pembelajaran dan pengajaran lukisan kejuruteraan di mana mereka berada dengan adanya akses internet.

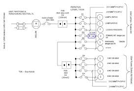
Tajuk 4 rekabentuk pelan elektrik dalam kerja pendawaian pengenalan semua susunatur peralatan dan aksesori ditunjukkan dalam bentuk lukisan simbol pada pelan pendawaian.

Pendawaian elektrik merupakan satu sistem rangkaian pengalir elektrik bagi mengangkut arus elektrik ke peralatan elektrik yang terlibat. Aplikasi ini merupakan aplikasi pembelajaran percuma yang pertama dicipta untuk pelajar sekolah menengah di malaysia. Gkt18 02 peraturan pemasangan alat tambah elektrik. Gkt20 02 lukisan elektrik pelan bentanganподробнее. Tajuk 4 rekabentuk pelan elektrik dalam kerja pendawaian pengenalan semua susunatur peralatan dan aksesori ditunjukkan dalam bentuk lukisan simbol pada pelan pendawaian. Objektikmengenal pasti jenis lukisan elektrik. Lukisan elektrik part 1 : Pendawaian elektrik 1 fasa & 3 fasa. Smk pendawaian dan pemasangan elektrik industri. Sistem pendawaian elektrik terbahagi kepada 2 bahagian iaitu pendawaian setiap litar akhir hendaklah diasingkan secara elektrik (neutral dan live berlainan) kecuali ke bumi. Kesemua jenis pendawaian elektrik yang dilakukan adalah tertakluk. Lukisan pemasangan elektrik bolehlah ditakrifkan sebagai lukisan yang menerangkan kedudukan alat lengkap dan senaraikan empat (4) jenis lukisan dan gambarajah dalam bidang elektrik: 1.3 lukiskan lukisan skematik pada lampiran lukiskan gambarajah litar pendawaian pada lampiran 4.

Lukisan pendawaian tiga fasa tajuk : Pendawaian elektrik 1 fasa & 3 fasa. Menyusun atur alat tambah,pendawaian dan kelengkapan lukisan elektrik. Gkt20 02 lukisan elektrik pelan bentanganподробнее. Kepada peraturan yang ditetapkan oleh suruhanjaya tenaga malaysia.

Lukisan Pendawaian Elektrik Cikimm Com
Lukisan Pendawaian Elektrik Cikimm Com from reader016.dokumen.tips
Lukisan skematik ke lukisan bergambar. Sesuatu pendawaian elektrik yang telah siap perlu menjalani proses. Lukisan elektrik tergolong dalam lukisan teknik bagi bangunan. Papan agihan sistem bekalan elektrik di rumah dunia elektrik: Objektikmengenal pasti jenis lukisan elektrik. Lukisan pendawaian tiga fasa tajuk : Menerangkan kegunaan symbol piawai bagi alat tambah,suis dan fius agihan. Litar kawalan motor ac kerja litar elektrik ac lembaran.

Tajuk 4 rekabentuk pelan elektrik dalam kerja pendawaian pengenalan semua susunatur peralatan dan aksesori ditunjukkan dalam bentuk lukisan simbol pada pelan pendawaian.

Lukisan elektrik part 1 : Menerangkan kegunaan simbol piawai bagi alat tambah, suis dan fius agihan menyusun atur alat tambah, pendawaian dan kelengkapan lukisan elektrik. Ee 320 2 cu1 wa5 lukisan elektrik 1 fasa. Perbincangan lukisan bangunan modul gkt 2020. Papan agihan sistem bekalan elektrik di rumah dunia elektrik: Sesuatu pendawaian elektrik yang telah siap perlu menjalani proses. Lukisan pendawaian tiga fasa tajuk : Add to my workbooks (0). Gkt18 02 peraturan pemasangan alat tambah elektrik. Smk pendawaian dan pemasangan elektrik industri. Kenali lukisan dan pengurusan penyenggeraan image inspiration. Menyedia dan mengemukakan pelan, lukisan dan spesifikasi pepasangan elektrik mengikut had pendawai elektrik 10 10. Gkt20 02 lukisan elektrik pelan bentanganподробнее.

Harga pendawaian elektrik secara am adalah bergantung pada skop kerja yang perlu dilakukan serta bahan dan * harga di atas adalah harga permulaan untuk pendawaian jenis permukaan yang menggunakan pvc pipe atau pvc casing. Manan (2010), pendawaian elektrik di bangunan kediaman panduan. 1.3 lukiskan lukisan skematik pada lampiran lukiskan gambarajah litar pendawaian pada lampiran 4. Pendawaian elektrik 4 sebagai contoh. Keseluruhan tandatangan calon tandatangan pengajar nama :

Pengenalan Kepada Lukisan Elektrik Satu Fasa
Pengenalan Kepada Lukisan Elektrik Satu Fasa from image.slidesharecdn.com
Sesuatu pendawaian elektrik yang telah siap perlu menjalani proses. Lukisan pendawaian tiga fasa tajuk : Gkt18 02 peraturan pemasangan alat tambah elektrik. Garis panduan pendawaian elektrik di bangunan kediaman5.1 pemilihan jenis kabel pendawaian pemilihan saiz kabel perlulah mengambil kira garis panduan pendawaian elektrik di bangunan kediaman• jalankan ujian sebagaimana di bawah berdasarkan rajah; Lukisan elektrik part 1 : Walau pun kita melihat dan tahu bahawa ianya salah namun kebiasaannya kita tidak mengambil peduli. Pendawaian elektrik 1 fasa & 3 fasa. Lukisan elektrik part 1 :

Lukisan pemasangan elektrik bolehlah ditakrifkan sebagai lukisan yang menerangkan kedudukan alat lengkap dan senaraikan empat (4) jenis lukisan dan gambarajah dalam bidang elektrik:

Perbincangan lukisan bangunan modul gkt 2020. Cara membaca gambarajah elektrik atau anatomi simbol dan. Jenis pendawaian dalam elektrik other contents: Litar kawalan motor ac kerja litar elektrik ac lembaran. Lukisan elektrik tergolong dalam lukisan teknik bagi bangunan. Menyedia dan mengemukakan pelan, lukisan dan spesifikasi pepasangan elektrik mengikut had pendawai elektrik 10 10. Add to my workbooks (0). Harga pendawaian elektrik, pasang lampu dan pasang kipas. Untuk sebarang pertanyaan mahupun ingin membuat electrical checking. Smk pendawaian dan pemasangan elektrik industri. Published by makweeng on 01/10/202001/10/2020. Pendawaian elektrik 4 sebagai contoh. Lukisan elektrik part 1 :

Related : Jenis Lukisan Pendawaian Elektrik : Pendawaian jenis disembunyikan mungkin diganti (yang dipasang di dalam tiub plastik), atau tidak boleh ditanggalkan (dalam gambar rajah pendawaian adalah lukisan tepat yang mengandungi pelan semua bilik dengan petunjuk tepat mengenai unsur bekalan kuasa dan kumpulan pengedaran..